
INCH-POUND
MIL-DTL-28837/9A
25 October 2006
SUPERSEDING
MIL-M-28837/9
7 February 1985
DETAIL SPECIFICATION SHEET
MIXER STAGES, RADIO FREQUENCY, DOUBLE BALANCED, TO CONFIGURATION
This specification is approved for use by all Depart-
ments and Agencies of the Department of Defense.
The requirements for acquiring the product described herein
shall consist of this specification sheet and MIL-DTL-28837.
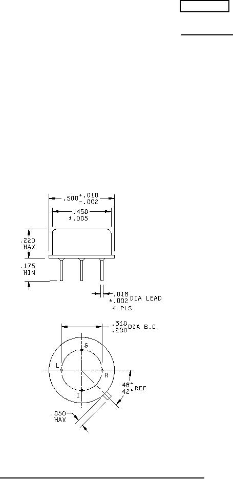
FIGURE 1. Outline drawing for mixers PIN M28837/9-01 through M28837/9-04.
AMSC N/A
FSC 5895
For Parts Inquires call Parts Hangar, Inc (727) 493-0744
© Copyright 2015 Integrated Publishing, Inc.
A Service Disabled Veteran Owned Small Business