
INCH-POUND
MIL-DTL-28837/7B
5 July 2012
SUPERSEDING
MIL-DTL-28837/7A
30 October 2001
DETAIL SPECIFICATION SHEET
MIXER STAGES, RADIO FREQUENCY, DOUBLE BALANCED, TO-5 CONFIGURATION
This specification is approved for use by all Departments and
Agencies of the Department of Defense.
The requirements for acquiring the product described herein
shall consist of this specification and MIL-DTL-28837.
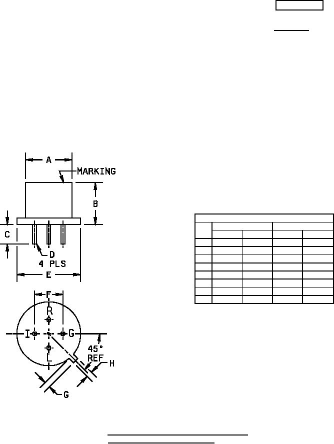
Dimension
Ltr
Inches
mm
Min
Max
Min
Max
A
.315
.345
8.00
8.76
B
---
.407
---
10.34
C
.140
---
3.56
---
D .015 DIA .019 DIA 0.38 DIA 0.48 DIA
E
.335
.370
8.51
9.40
F
.190
.210
4.83
5.33
G
---
.050
---
1.27
H
.026
.036
0.66
0.91
NOTES:
1. Dimensions are in inches.
2. Metric equivalents are given for general
information only and are based upon
1.00 inch = 25.4 mm.
FIGURE 1. Outline drawing for mixers PIN M28837/7-01N,
M28837/7-02N, and M28837/7-02S.
AMSC N/A
FSC 5985
For Parts Inquires call Parts Hangar, Inc (727) 493-0744
© Copyright 2015 Integrated Publishing, Inc.
A Service Disabled Veteran Owned Small Business