
MIL-DTL-28837/2D
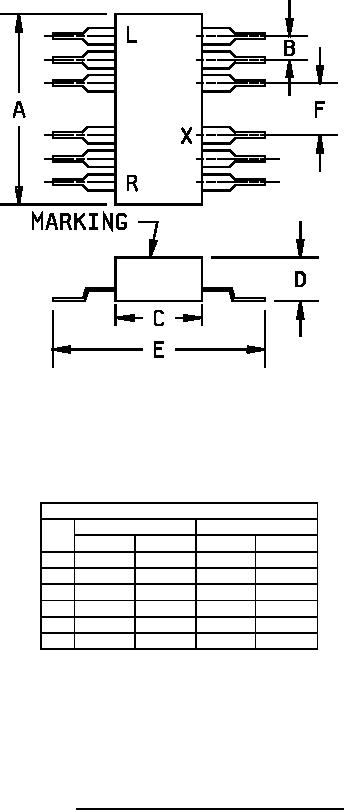
Dimension
Ltr
Inches
mm
Min
Max
Min
Max
A
.868
.872
22.05
22.15
B
.098
.102
2.49
2.59
C
.568
.572
14.43
14.53
D
.253
.257
6.43
6.53
E
.998
1.002
25.35
25.45
F
.298
.302
7.57
7.67
NOTES:
1. Dimensions are in inches.
2. Metric equivalents are given for general information only.
3. Pins not marked are grounded.
4. Pins without internal connections (dummy) are permitted provided the pins are
labeled with a "D".
FIGURE 3. Outline drawing for mixers PIN M28837/2-06.
3
For Parts Inquires call Parts Hangar, Inc (727) 493-0744
© Copyright 2015 Integrated Publishing, Inc.
A Service Disabled Veteran Owned Small Business