
MIL-DTL-28837/1D
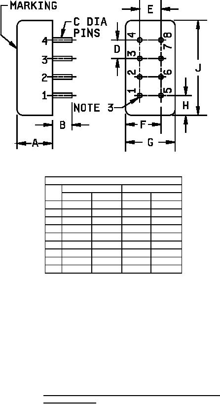
Dimension
Ltr
Inches
mm
Min
Max
Min
Max
A
.297
.327
7.54
8.31
B
.188
.218
4.78
5.54
C .028 DIA .032 DIA 0.71 DIA 0.81 DIA
D
.195
.205
4.95
5.21
E
.195
.205
4.95
5.21
F
.080
.110
2.03
2.79
G
.370
.400
9.40
10.16
H
.080
.110
2.03
2.79
J
.775
.805
19.69
20.45
Termination for PIN M28837/1-11
Termination for PIN M28837/1-15
LO - Pins 4 and 8
and M28837/1-16
RF - Pins 1 and 5
LO - Pin 5
IF - Pins 3 and 7
RF - Pin 8
Pins 2, 4, and 6 are grounded
IF - Pins 3 and 7
All other pins are grounded.
NOTES:
1. Dimensions are in inches.
2. Metric equivalents are given for general information only.
3. Pin number 1 shall have a contrasting color insulator, all pin numbers are to be marked on sides of case
adjacent to the pins. The marking on the header is for reference only.
FIGURE 4. Outline drawing for mixers PIN M28837/1-11, M28837/1-15,
and M28837/1-16.
5
For Parts Inquires call Parts Hangar, Inc (727) 493-0744
© Copyright 2015 Integrated Publishing, Inc.
A Service Disabled Veteran Owned Small Business